开平市人民政府门户网站
搜索
跳转提醒
你即将跳出本网站访问外部链接,确认请点击下面的确定
确定
您当前的位置:
首页
>
开平市科工商务局
>
其它栏目
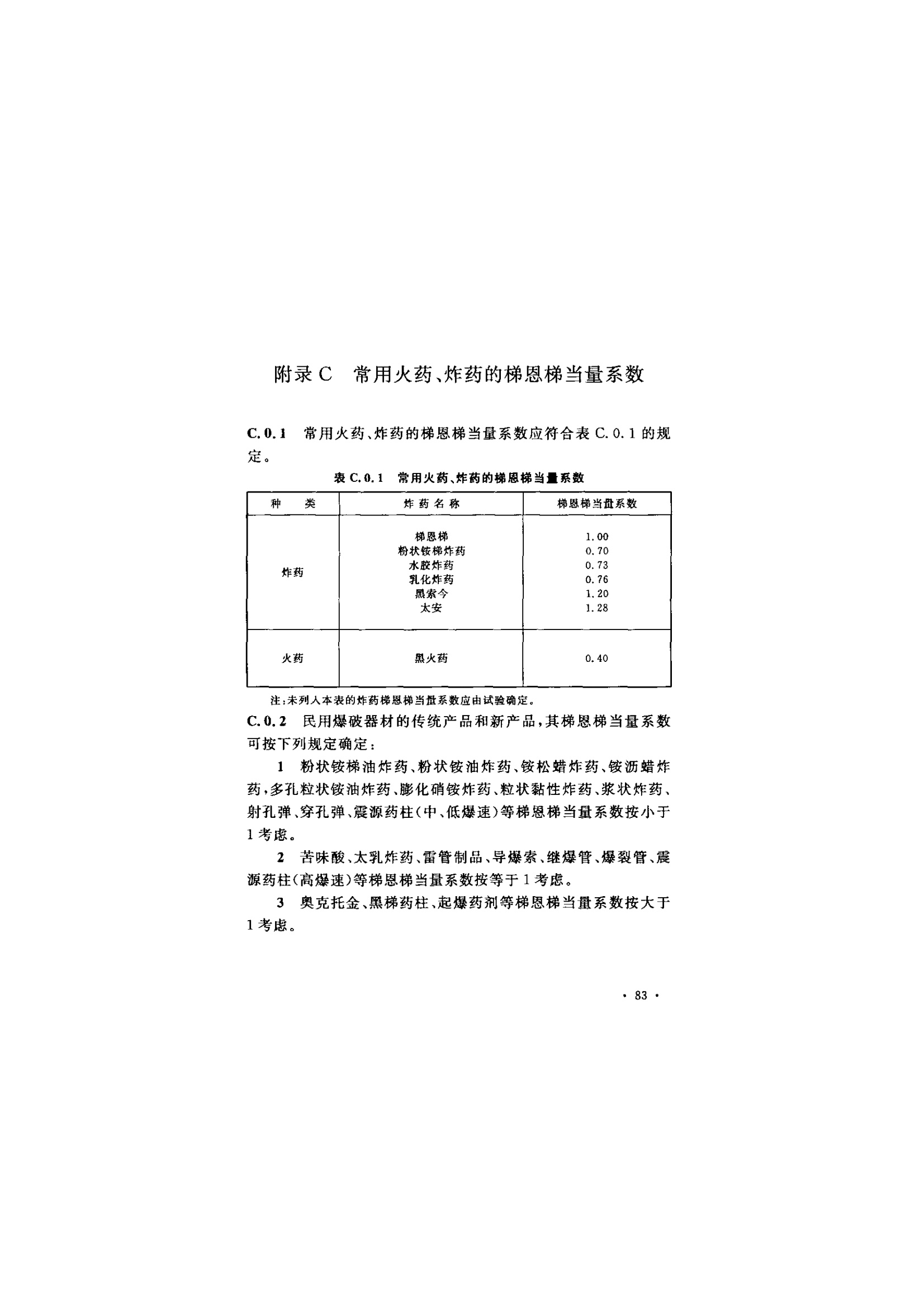
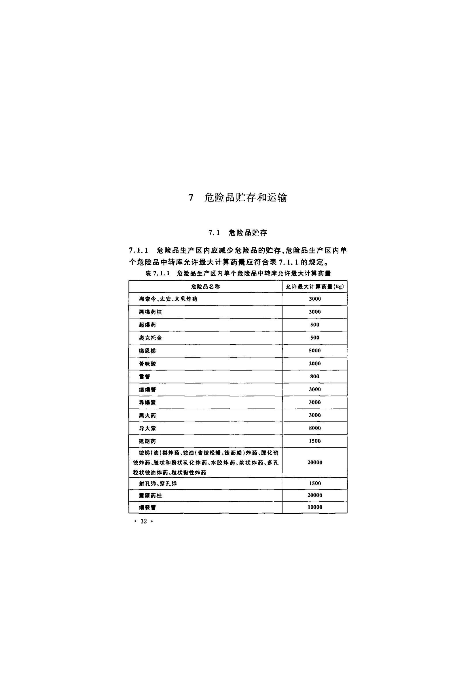
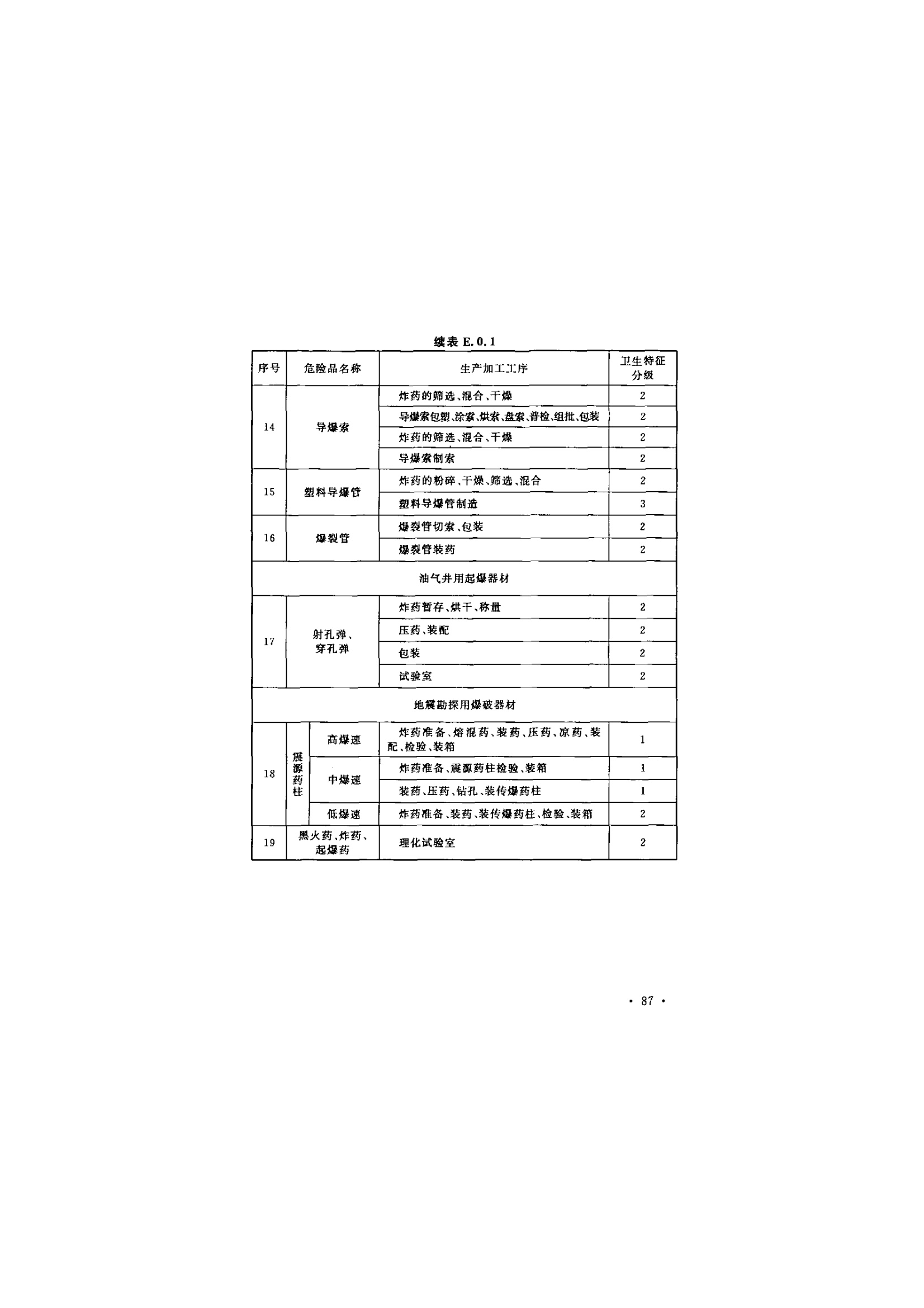
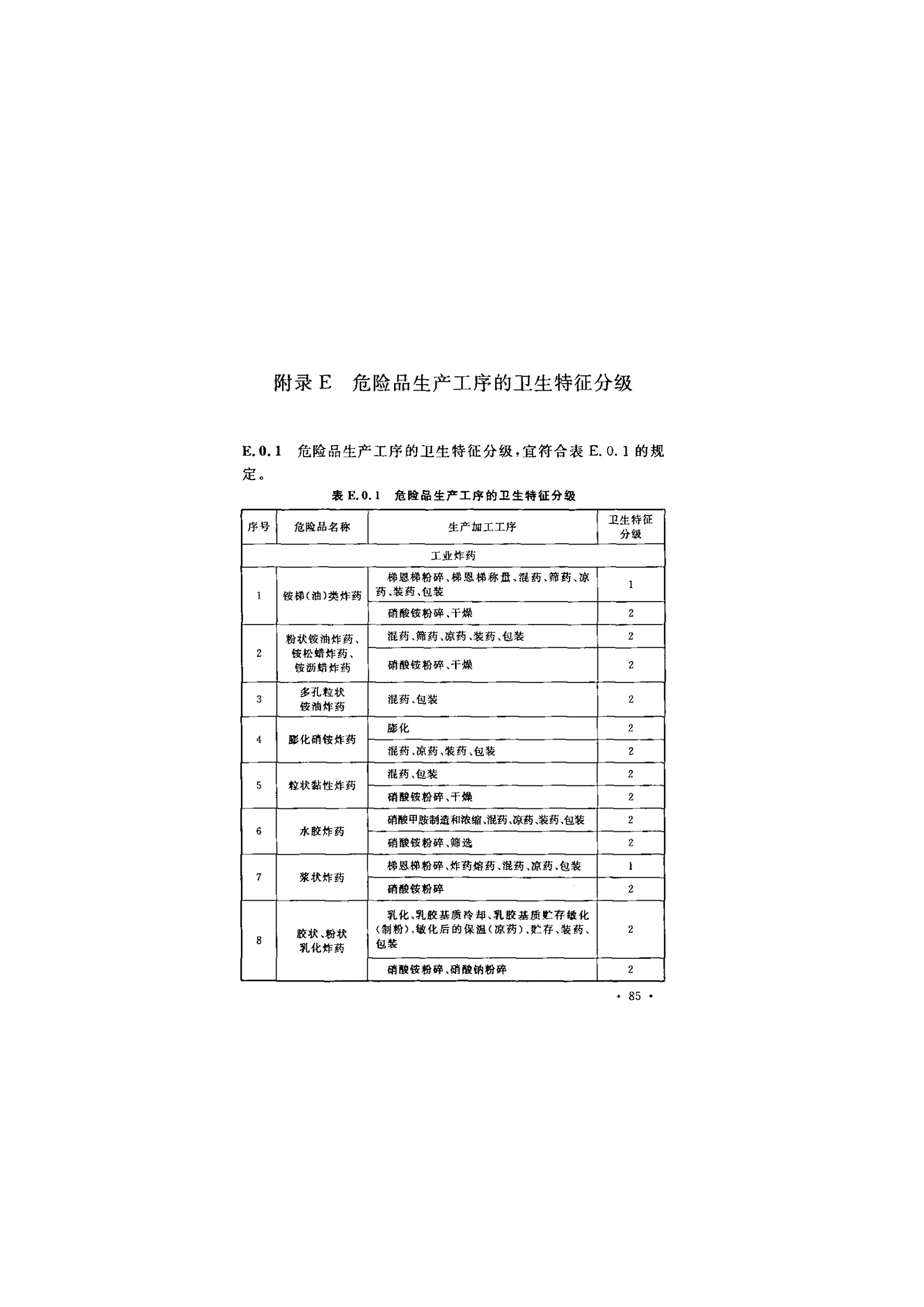
民用爆破器材工程设计安全规范
发布日期:2019-02-03 09:33:00
来源:
开平市科工商务局
分享到:
打印
【字体:
小
中
大
】
内容导航:
首 页
上一页
1
下一页
尾 页
转到第
页
相关新闻:
相关图片:
相关附件:
相关推荐
联系我们
|
网站帮助
|
网站地图
|
服务申明
版权所有:开平市人民政府
主办:开平市人民政府办公室
备案编号:
粤ICP备05079694号
网站标识码:4407830003
粤公网安备; 44078302000116
开平市政府网公众号